google-site-verification=EMJ2zjyIvAkuvJe0bnU7CBhnaqMtDTQDBNIh_xto8Uo
+90 (542) 666 11 11
|
info@drgmotor.com
Ara
Ara
Türkçe
English
Türkçe
Ana Sayfa
Kurumsal
Şirket Profili
Misyonumuz
Vizyonumuz
Gizlilik Politikası
İnsan Kaynakları
Ürünler
IE3 Elektrik Motorları
Yüksek Verimli Elektrik Motorları
IE4 Elektrik Motorları
IE5 Elektrik Motorları
1 Fazlı Asenkron Elektrik Motorları
3 Fazlı Asenkron Elektrik Motorları
Genel Maksatlı Sanayi Tipi Motor
Taş Kırma Tesisi Motorları
Fan Motorları
Pompa Motorları
Vibrasyon Motorları
Neden DRG Motor Tercih Edilmeli
Fotoğraflar
Videolar
DRG MOTOR ÜRETİM HATTI
DRG MOTOR İZMİR DEPO
Blog
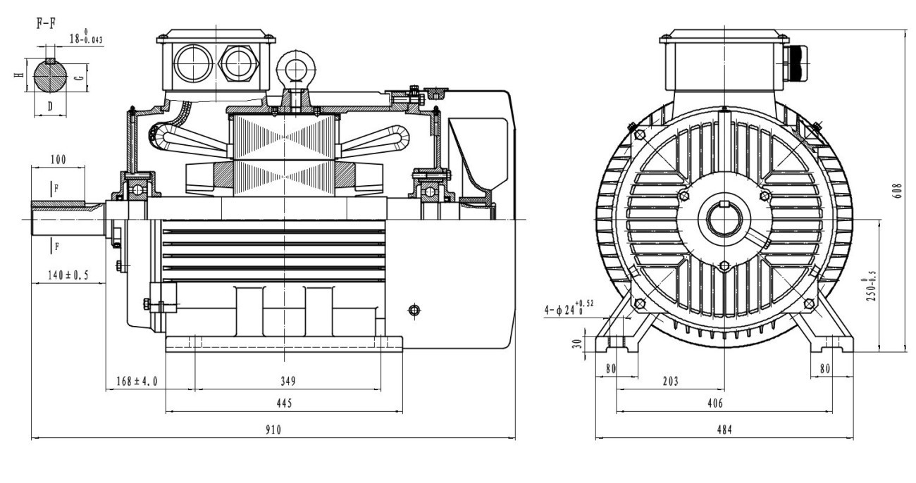
Teknik Çizimler
İletişim
Teknik Çizimler
Home
Teknik Çizimler
DRG Motor Katalog
39
DRG Motor Teknik Çizimler 2D
DRG Motor Teknik Çizimler 3D
1 - 3 of ( 3 ) records
Ana Sayfa
Ürünler
WhatsApp
Hızlı Erişim
Yukarı Çık